Условия доставки покупок
- Производитель:
- Артикул:LK05
- 99
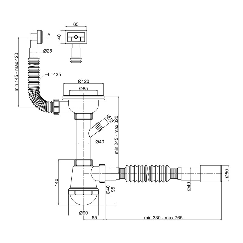
Сифон для кухонной мойки Lidz (WHI) 60 05 M002 01 изготовлен из качественного пластика белого цвета. При необходимости резервуар сифона может откручиваться для очистки. Гофрированный выход дает возможность изменять длину и угол трубы. Благодаря коммуникации для перелива можно избежать переполнения кухонной раковины водой. Мокрый гидрозатвор обеспечит надежную защиту от неприятных запахов из канализации.
| Характеристики продукта | |
| Артикул | LK05 |
| Бренд | Lidz |
| Вес брутто, кг | 0,45 |
| Вес нетто, кг | 0,41 |
| Вид гидрозатвора | Мокрый (без мембраны) |
| Вид слива-перелива | Механический (ручной) |
| Габариты изделия (ВхШхГ), мм | 460х280х125 |
| Габариты упаковки, мм | 460х280х125 |
| Диаметр выпуска | 3 1/2" |
| Диаметр патрубка в канализацию, мм | 50 |
| Дополнительные характеристики | Длина перелива: 435 мм. Длина гофрированной трубы: 330 - 765 мм. |
| Количество грузовых мест | 1 |
| Модель | M002 01 |
| Назначение | Для кухонной мойки |
| Наличие перелива | Есть |
| Наличие ревизии | Нет |
| Подключение к стиральной машине | Есть |
| Серия | 60 05 |
| Страна регистрации бренда | Польша |
| Страна-производитель | Польша |
| Тип изделия | Сифон |
| Тип сифона | Гофрированный |
| Материал | Пластик / Нержавеющая сталь |
| Цвет | Белый |
| Гарантия | 15 лет |
| Комплектация | Сифон выпуск перелив гофрированная труба. |
Пока не было вопросов.
Українська
















